
MGD15008P-35AC [受注生産]
外径(mm) Φ150.0 × L50.0 内径(mm) Φ35.0 質量(g) ケース材質 アルミ(アルマイト) 磁極数 8極 防水性能 なし(IP60) 使用温度環境 -10〜60℃ ギャップ(mm)※1 4.0 6.0 8.0 10.0 11.0 12.0 13.0 14.0 トルク(kgf・cm)※2 370.0 325.0 280.0 221.0 205.0 189.0 175.0 157.0 スラスト(kgf)※3 66.0 52.0 43.2 33.0 27.0 25.5 20.9 19.0
クランプで固定し、更にディスク面からM10 ボルトで固定します。
固定方法の詳細はこちら・・・シャフトへの固定方法
MGD12508P-35AC [受注生産]
外径(mm) Φ125.0 × L45.0 内径(mm) Φ35.0 質量(g) ケース材質 アルミ(アルマイト) 磁極数 8極 防水性能 なし(IP60) 使用温度環境 -10〜60℃ ギャップ(mm)※1 5.0 6.0 8.0 10.0 11.0 12.0 13.0 14.0 トルク(kgf・cm)※2 スラスト(kgf)※3
クランプで固定し、更にディスク面からM10 ボルトで固定します。
固定方法の詳細はこちら・・・シャフトへの固定方法
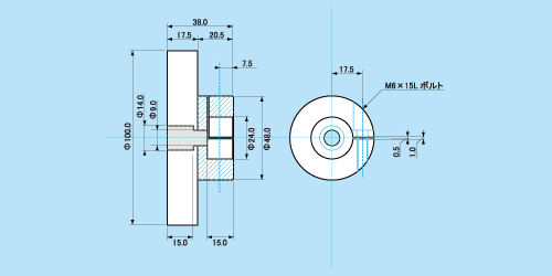
MGD10008P-24AC [受注生産]
外径(mm) Φ100 × L50.0 内径(mm) Φ24 質量(g) ケース材質 アルミ(アルマイト) 磁極数 8極 防水性能 なし(IP60) 使用温度環境 -10〜60℃ ギャップ(mm)※1 4.0 6.0 8.0 10.0 トルク(kgf・cm)※2 183.5 117.3 71.4 61.2 スラスト(N)※3 351.9 247.9 176.4 126.4
クランプで固定し、更にディスク面からM8 ボルトで固定します。
固定方法の詳細はこちら・・・シャフトへの固定方法
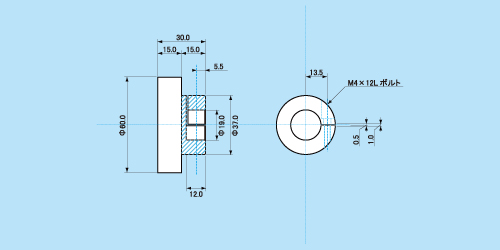
MGD6008P-19AC [受注生産]
外径(mm) Φ60 × L45.0 内径(mm) Φ19.0 質量(g) ケース材質 アルミ(アルマイト) 磁極数 8極 防水性能 なし(IP60) 使用温度環境 -10〜60℃ ギャップ(mm)※1 4.0 6.0 8.0 10.0 トルク(kgf・cm)※2 27.0 21.0 16.0 12.0 スラスト(N)※3 89.7 56.4 35.6 23.2
クランプ式固定
固定方法の詳細はこちら・・・シャフトへの固定方法
※1 ギャップ:マグネットカップリングのディスク同士の隙間です。
※2 トルク:各キャップ時の最大トルクです。トルクを上回るとスリップします。上記はトルクの目安値で、トルク値を
保証する物ではありません。
※3 スラスト:カップリングのディスク同士が引き合う力です。※本サイト・カタログに記載した図およびイラストは、一部を省略したり抽象化して表現している場合があります。本サイト・カタログに記載した仕様・その他の内容について、技術改善の為予告なく変更することがあります。記載した測定データはマグネットカップリング単体での動作試験結果です。本製品に関するお問い合わせおよびサポート、カタログの記載については、国内限定とさせていただきます。