
外径
Φ150
Φ100
Φ65
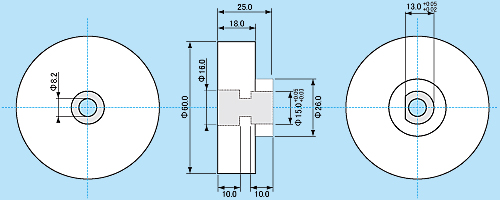
Φ60
Φ45
Φ35
Φ30
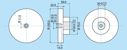
MGC15008P-35SD 【真空・防水対応】 NEW! [受注生産]
外径(mm) Φ150 × L50.0 内径(mm) Φ35.0 Dカット 質量(g) 約2000 ケース材質 SUS304 磁極数 8極 防水性能 IP68 使用温度環境 -10〜60℃ ギャップ(mm)※1 8.0 10.0 12.0 14.0 トルク(kgf・cm)※2 285.5 239.6 203.9 163.1 スラスト(N)※3 619.0 491.5 397.7 336.5
シャフトへの固定は シャフトにDカット ・ネジ加工を行い、 ディスク面からM10 ボルトで固定します。
固定方法の詳細はこちら・・・シャフトへの固定方法
MGC15008P-35AD NEW! [受注生産]
外径(mm) Φ150 × L50.0 内径(mm) Φ35.0 Dカット 質量(g) 約1600 ケース材質 アルミ(アルマイト) 磁極数 8極 防水性能 IP68 使用温度環境 -10〜60℃ ギャップ(mm)※1 8.0 10.0 12.0 14.0 トルク(kgf・cm)※2 285.5 239.6 203.9 163.1 スラスト(N)※3 619.0 491.5 397.7 336.5
シャフトへの固定は シャフトにDカット ・ネジ加工を行い、 ディスク面からM10 ボルトで固定します。
固定方法の詳細はこちら・・・シャフトへの固定方法
MGC10010P-20SD 【真空・防水対応】
外径(mm) Φ100 × L28.0 内径(mm) Φ20.0(+0.02〜0.05) 質量(g) 約1046 ケース材質 SUS304 磁極数 10極 防水性能 IP68 使用温度環境 -10〜60℃ ギャップ(mm)※1 4.0 6.0 8.0 10.0 トルク(kgf・cm)※2 183.5 117.3 71.4 61.2 スラスト(N)※3 586.5 413.2 294.0 210.7
シャフトへの固定は シャフトにDカット ・ネジ加工を行い、 ディスク面からM8 ボルトで固定します。
固定方法の詳細はこちら・・・シャフトへの固定方法
MGC10010P-20AD
外径(mm) Φ100 × L30.0 内径(mm) Φ20.0(+0.02〜0.05) 質量(g) 約865 ケース材質 アルミ・アルマイト 磁極数 10極 防水性能 なし(IP60) 使用温度環境 -10〜60℃ ギャップ(mm)※1 4.0 6.0 8.0 10.0 トルク(kgf・cm)※2 183.5 117.3 71.4 61.2 スラスト(N)※3 586.5 413.2 294.0 210.7
シャフトへの固定は シャフトにDカット ・ネジ加工を行い、 ディスク面からM8 ボルトで固定します。
固定方法の詳細はこちら・・・シャフトへの固定方法
MGC6508P-15AL
外径(mm) Φ65 × L28.0 内径(mm) Φ15.0(+0.03〜0.05) 質量(g) 約234 ケース材質 アルミ・アルマイト 磁極数 8極 防水性能 なし(IP60) 使用温度環境 -10〜60℃ ギャップ(mm)※1 4.0 6.0 8.0 10.0 トルク(kgf・cm)※2 27.0 21.0 16.0 12.0 スラスト(N)※3 149.5 94.0 59.3 38.6
シャフトの取付時は、 4本のボルトを締める 事により、穴の内径が 縮小して固定されます。
これにより中空のシャフトも利用可能です。
固定方法の詳細はこちら・・・シャフトへの固定方法
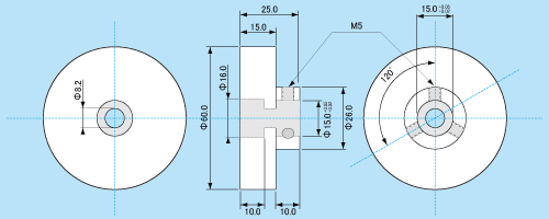
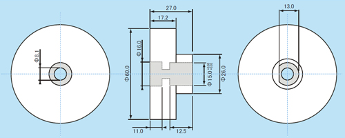
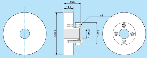
MGC6008P-15SD 【真空・防水対応】
外径(mm) Φ60 × L25.0 内径(mm) Φ15.0(+0.02〜0.05) 質量(g) 約312 ケース材質 SUS304 磁極数 8極 防水性能 IP68 使用温度環境 -10〜60℃ ギャップ(mm)※1 4.0 6.0 8.0 10.0 トルク(kgf・cm)※2 27.0 21.0 16.0 12.0 スラスト(N)※3 149.5 94.0 59.3 38.6
シャフトへの固定は シャフトにDカット ・ネジ加工を行い、 ディスク面からM8 ボルトで固定します。
固定方法の詳細はこちら・・・シャフトへの固定方法
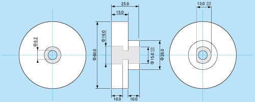
MGC6008P-15SM 【真空・防水対応】
外径(mm) Φ60 × L25.0 内径(mm) Φ15.0(+0.02〜0.05) 質量(g) 約312 ケース材質 SUS304 磁極数 8極 防水性能 IP68 使用温度環境 -10〜60℃ ギャップ(mm)※1 4.0 6.0 8.0 10.0 トルク(kgf・cm)※2 27.0 21.0 16.0 12.0 スラスト(N)※3 149.5 94.0 59.3 38.6
シャフトへの固定はシャフトにネジ加工を行い、 ディスク面からM8ボルト で固定し、側面よりM5 の止めネジ(3点)で固定します。
カップリンクへ掛かるトルク が小さい場合、止めネジのみの固定も可能です。
固定方法の詳細はこちら・・・シャフトへの固定方法
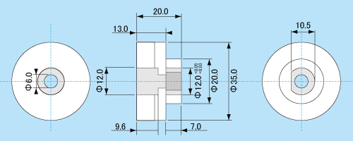
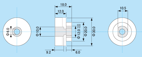
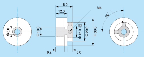
MGC6008P-15AD
外径(mm) Φ60 × L25.0 内径(mm) Φ15.0(+0.03〜0.05) 質量(g) 約226 ケース材質 アルミ・アルマイト 磁極数 8極 防水性能 なし(IP60) 使用温度環境 -10〜60℃ ギャップ(mm)※1 4.0 6.0 8.0 10.0 トルク(kgf・cm)※2 27.0 21.0 16.0 12.0 スラスト(N)※3 149.5 94.0 59.3 38.6
シャフトへの固定は シャフトにDカット ・ネジ加工を行い、 ディスク面からM8 ボルトで固定します。
固定方法の詳細はこちら・・・シャフトへの固定方法
MGC6008P-15WD 【防水対応】
外径(mm) Φ60 × L25.0 内径(mm) Φ15.0(+0.03〜0.05) 質量(g) 約192 ケース材質 PVC 磁極数 8極 防水性能 IP68 使用温度環境 -10〜60℃ ギャップ(mm)※1 4.0 6.0 8.0 10.0 トルク(kgf・cm)※2 27.0 21.0 16.0 12.0 スラスト(N)※3 149.5 94.0 59.3 38.6
樹脂によりケース接合部を溶着し、完全防水となっています。
シャフトへの固定は シャフトにDカット ・ネジ加工を行い、 ディスク面からM8 ボルトで固定します。
固定方法の詳細はこちら・・・シャフトへの固定方法
MGC6008P-15PD 【生産終了・在庫品のみの販売】
外径(mm) Φ60 × L27.0 内径(mm) Φ15.0(+0.03〜0.05) 質量(g) 約192 ケース材質 PVC 磁極数 8極 防水性能 IP65 使用温度環境 -10〜60℃ ギャップ(mm) 4.0 6.0 8.0 10.0 トルク(kgf・cm)※1 27 21 16 12
シャフトへの固定は シャフトにDカット ・ネジ加工を行い、 ディスク面からM8 ボルトで固定します。
固定方法の詳細はこちら・・・シャフトへの固定方法
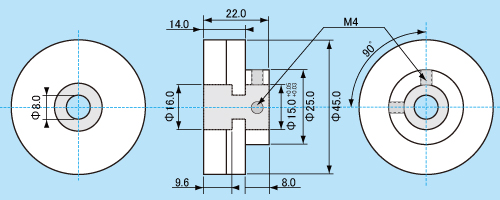
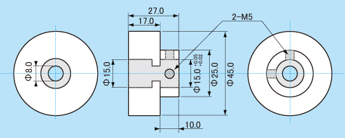
MGC4508P-15SM 【真空・防水対応】
外径(mm) Φ45 × L27.0 内径(mm) Φ15.0(+0.02〜0.05) 質量(g) 約190 ケース材質 SUS304 磁極数 8極 防水性能 IP68 使用温度環境 -10〜60℃ ギャップ(mm)※1 3.0 4.0 5.0 6.0 トルク(kgf・cm)※2 15.0 11.0 9.0 7.0 スラスト(N)※3 126.5 91.0 64.3 47.3
シャフトへの固定はシャフトにネジ加工を行い、 ディスク面からM8ボルト で固定し、側面よりM4 の止めネジで固定します。
カップリンクへ掛かるトルク が小さい場合、止めネジのみの固定も可能です。
固定方法の詳細はこちら・・・シャフトへの固定方法
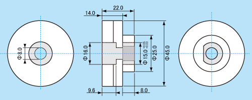
MGC4508P-15AM
外径(mm) Φ45 × L22.0 内径(mm) Φ15.0(+0.03〜0.05) 質量(g) 約150 ケース材質 アルミ・アルマイト 磁極数 8極 防水性能 なし(IP60) 使用温度環境 -10〜60℃ ギャップ(mm)※1 3.0 4.0 5.0 6.0 トルク(kgf・cm)※2 15.0 11.0 9.0 7.0 スラスト(N)※3 126.5 91.0 64.3 47.3
シャフトへの固定はシャフトにネジ加工を行い、 ディスク面からM8ボルト で固定し、側面よりM4 の止めネジで固定します。
カップリンクへ掛かるトルク が小さい場合、止めネジのみの固定も可能です。
固定方法の詳細はこちら・・・シャフトへの固定方法
MGC4508P-15AD
外径(mm) Φ45 × L22.0 内径(mm) Φ15.0(+0.03〜0.05) 質量(g) 約150 ケース材質 アルミ・アルマイト 磁極数 8極 防水性能 なし(IP60) 使用温度環境 -10〜60℃ ギャップ(mm)※1 3.0 4.0 5.0 6.0 トルク(kgf・cm)※2 15.0 11.0 9.0 7.0 スラスト(N)※3 126.5 91.0 64.3 47.3
シャフトへの固定はシャフトにネジ加工を行い、 ディスク面からM8ボルト で固定し、側面よりM4 の止めネジで固定します。
カップリンクへ掛かるトルク が小さい場合、止めネジのみの固定も可能です。
固定方法の詳細はこちら・・・シャフトへの固定方法
MGC3508P-12AM
外径(mm) Φ35 × L20.0 内径(mm) Φ12.0 質量(g) 約82 ケースコート アルマイト・Niメッキ 磁極数 8極 防水性能 なし(IP60) 使用温度環境 -10〜60℃ ギャップ(mm)※1 1.0 2.0 3.0 4.0 トルク(kgf・cm)※2 9.6 6.6 4.6 3.2 スラスト(N)※3 121.8 74.1 47.5 30.9
シャフトへの固定はシャフトにネジ加工を行い、 ディスク面からM6ボルト で固定し、側面よりM4 の止めネジで固定します。
カップリンクへ掛かるトルク が小さい場合、止めネジのみの固定も可能です。
固定方法の詳細はこちら・・・シャフトへの固定方法
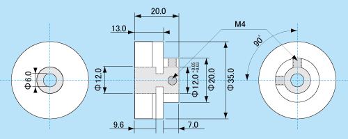
MGC3508P-12AD
外径(mm) Φ35 × L20.0 内径(mm) Φ12.0 質量(g) 約82 ケースコート アルマイト・Niメッキ 磁極数 8極 防水性能 なし(IP60) 使用温度環境 -10〜60℃ ギャップ(mm)※1 1.0 2.0 3.0 4.0 トルク(kgf・cm)※2 9.6 6.6 4.6 3.2 スラスト(N)※3 121.8 74.1 47.5 30.9
シャフトへの固定は シャフトにDカット ・ネジ加工を行い、 ディスク面からM6 ボルトで固定します。
固定方法の詳細はこちら・・・シャフトへの固定方法
MGC3012P-12AM
外径(mm) Φ30 × L18.0 内径(mm) Φ12.0 質量(g) 約58 ケースコート アルマイト・Niメッキ 磁極数 12極 防水性能 なし(IP60) 使用温度環境 -10〜60℃ ギャップ(mm)※1 0.5 1.0 2.0 3.0 トルク(kgf・cm)※2 6.8 4.9 2.4 1.2 スラスト(N)※3 62.7 44.0 22.4 11.1
シャフトへの固定はシャフトにネジ加工を行い、 ディスク面からM6ボルト で固定し、側面よりM4 の止めネジで固定します。
カップリンクへ掛かるトルク が小さい場合、止めネジのみの固定も可能です。
固定方法の詳細はこちら・・・シャフトへの固定方法
MGC3012P-12AD
外径(mm) Φ30 × L18.0 内径(mm) Φ12.0 質量(g) 約58 ケースコート アルマイト・Niメッキ 磁極数 12極 防水性能 なし(IP60) 使用温度環境 -10〜60℃ ギャップ(mm)※1 0.5 1.0 2.0 3.0 トルク(kgf・cm)※2 6.8 4.9 2.4 1.2 スラスト(N)※3 62.7 44.0 22.4 11.1
シャフトへの固定は シャフトにDカット ・ネジ加工を行い、 ディスク面からM6 ボルトで固定します。
固定方法の詳細はこちら・・・シャフトへの固定方法
※1 ギャップ:マグネットカップリングのディスク同士の隙間です。
※2 トルク:各キャップ時の最大トルクです。トルクを上回るとスリップします。上記はトルクの目安値で、トルク値を
保証する物ではありません。
※3 スラスト:カップリングのディスク同士が引き合う力です。※本サイト・カタログに記載した図およびイラストは、一部を省略したり抽象化して表現している場合があります。本サイト・カタログに記載した仕様・その他の内容について、技術改善の為予告なく変更することがあります。記載した測定データはマグネットカップリング単体での動作試験結果です。本製品に関するお問い合わせおよびサポート、カタログの記載については、国内限定とさせていただきます。